臥式犁刀式混合機作用下的物料保持湍流的原理, 攪拌器犁式的形狀,配合攪拌速度,產生離心渦旋運動, 致使受力物料三維擴散,并彼此融合。混合設備適合于干粉、粒子與小塊狀,與低粘度漿料的混合。
犁頭或者傾斜刀片安裝在攪拌軸上, 混合機運行時,犁刀的結構作用物料粒子做圓周軌跡的徑向與縱向相互配合的持續混合運動,避免了混合死角,從而保證了高精度混合。
* 容積:100 -10000 升
* 驅動:3 kW - 55 kW
* 混合時間:3-15分鐘
* 犁刀攪拌器可更換式
* 簡易調整維護
* 內部結構易清洗
* 可配置重型結構
* 開設標準法蘭式接口
* 人工快開加料口
* 排氣口
* 筒身清理快開門
* 手動自鎖機構
* 氣動驅動裝置
* 電動驅動裝置
* 碳鋼材質
* 與物料接觸為304不銹鋼
* 全部筒體為304不銹鋼
* 與物料接觸為316L不銹鋼
* 全部筒體為316L不銹鋼
*
其它特種材料制作
* 防腐材料內襯
* 耐磨損材料涂
* 功能性材料覆層

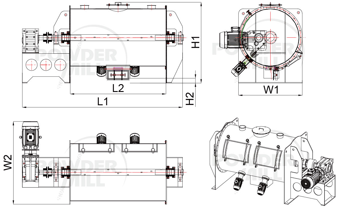
| 型號 | 主要結構尺寸 | 容積 | 最大混合量 | 混合轉速 | 機器重量 | 總功率 | |||||||
|---|---|---|---|---|---|---|---|---|---|---|---|---|---|
| L1 | L2 | W1 | W2 | H1 | H2 | L | KG | rpm | Kg | KW | |||
| MR-200 | 1525 | 800 | 700 | 850 | 1000 | 100 | 200 | 120 | 97 | 450 | 4 | ||
| MR-300 | 1675 | 1000 | 800 | 900 | 1100 | 100 | 300 | 180 | 85 | 560 | 5.5 | ||
| MR-500 | 1950 | 1250 | 880 | 1100 | 1200 | 100 | 500 | 300 | 85 | 850 | 7.5 | ||
| MR-1000 | 2404 | 1500 | 1100 | 1280 | 1400 | 100 | 1000 | 600 | 72 | 1300 | 11 | ||
| MR-1500 | 3290 | 2000 | 1100 | 1385 | 1400 | 100 | 1500 | 900 | 63 | 1700 | 15 | ||
| MR-2000 | 3290 | 2000 | 1330 | 1450 | 1520 | 100 | 2000 | 1200 | 63 | 2200 | 22 | ||
| MR-3000 | 3290 | 2000 | 1530 | 1550 | 1720 | 100 | 3000 | 1800 | 63 | 3200 | 30 | ||
| MR-4000 | 4300 | 2700 | 1530 | 1800 | 1850 | 100 | 4000 | 2400 | 56 | 4200 | 37 | ||
| MR-6000 | 5000 | 3000 | 1750 | 2000 | 2050 | 100 | 6000 | 3500 | 56 | 5200 | 45 | ||
| MR-8000 | 5300 | 3200 | 1950 | 2200 | 2300 | 100 | 8000 | 4500 | 48 | 6600 | 55 | ||
| MR-10000 | 5800 | 3400 | 2150 | 2350 | 2500 | 100 | 10000 | 5500 | 48 | 7800 | 75 | ||
| 本公司可按用戶特殊要求定制生產。 | |||||||||||||

臥式單軸槳葉混合機適用于攪拌阻力大或摩擦力大、極易磨損設備的情況下使用。攪拌阻力大的物料如:粘性的流體漿料、膏狀物料。...
MR系列雙槳混合機適用于粉料與粉料、顆粒與顆粒、顆粒與粉料及添加少量液體的混合,廣泛應用于化工、干粉砂漿、農藥、陶瓷、食品、飼料及電池等行業。...
MR系列立式單軸螺帶混合機在工作時,混合機的物料在變距式斷開螺旋葉片的帶動下,在混合機筒內部做從下往上以及從外往內循環往復運動。...
MR系列立式錐形螺條混合機在工作時,混合機的物料在變距變徑螺旋葉片的帶動下,在混合機筒內部做上下以及圓周循環運動。...
MR系列方錐混合機,主要用于制藥工業中固體顆粒,粉末等物料的混合,具有傳動平穩、結構可靠,混合量大,混合均勻度高的優點。...
HLSG系列高速混合機適用于醫藥、化工、食品等行業中粉與粉之混合、粉與粘合劑之造粒。采用變頻調速,易于控制顆粒大小。...
MR系列臥式犁刀式混合機作用下的物料保持湍流的原理。該混合設備適合于干粉、粒子與小塊狀,與低粘度漿料的混合。...
MR系列臥式螺帶混合機是一種新型高效、高精度的混合設備,廣泛適用于制藥、食品、化工、及其它工業對各種粉粒體或糊狀物料的高均勻度混合。...